一定量的理想气体,从p-V图上初态a经历(1)或(2)过程到达末态b,已知a、b两态处于同一条绝热线上(图中虚线是绝热线),则气体在( )。

一定量的某种理想气体起始温度为T,体积为V,该气体在下面看环过程中经过下列三个平衡过程。(1)绝热膨胀到体积为2V;(2)等体变化使温度恢复为T;(3)等温压缩到原来体积为V,则此整个循环过程中,气体( )。
如图所示,在一正方体的中心有中量为的正点电荷,则通过平面abcd的电通量为( )。





真空中有一个“孤立的”均匀带电球体和一个均匀带电球面,如果它们的半径和所带的电荷都相等,则它们的静电能之间的关系是( )。
A、B两个电子都垂直于做场方向射入一均匀磁场而作圆周运动。A电子的速率是B电子的3倍,设
、
分别为A电子与B电子的轨道半径,
、
分别为它们各自的周期,则( )。
,
,
,
,
磁介质有三种,用相对磁导率
表征它们各自的特征时,则( )。
,抗磁质
,铁磁质
,抗磁质
,铁磁质
,抗磁质
,铁磁质
,抗磁质
,铁磁质
把单摆摆球从平衡位置向位移正方向拉开,使摆线与整直方向成一微小角度,然后由静止放手任其振动,从放手时开始计时。若用余弦函数表示其运动方程,则该单摆振动的初相为( )。



在平面简谐波传播过程中,沿传播方向相距为
(
为波长)的两点的振动速度必定( )。
在双缝干涉实验中,入射光的波长为
。用玻璃纸遮住双缝中的一个缝,若玻璃纸中光程比相同厚度的空气的光程大
,则屏上原来的明纹处( )。
两偏振片堆叠在一起,一束自然光垂直入射时没有光线通过。当其中一偏振片慢慢转动
时透射光强度发生的变化为( )。
在狭义相对论中,有下列说法:
(1)一切运动物体相对于观察者的速度都不能大于真空中的光速
(2)质量、长度、时间的测量结果都随物体与观察者的相对运动状态而改变
(3)在一惯性系中发生于同一时刻、不同地点的两个事件在其他惯性系中也是同时发生的
(4)惯性系中的观察者观察一个与他作匀速相对运动的时钟时,会看到这时钟比与他相对静止的相同的时钟走得慢些
这些说法中正确的是( )。
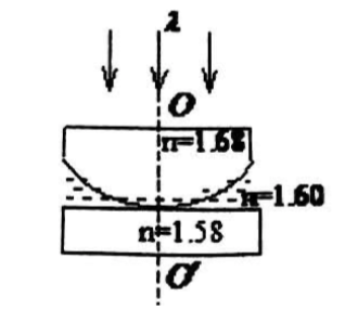
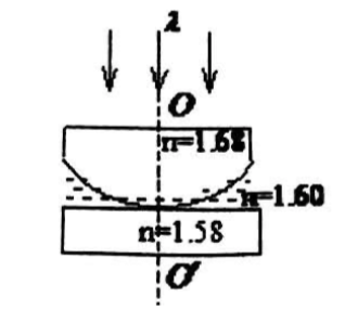
如图所示,平板玻璃和凸透镜构成牛顿环装置,全部漫入
的液体中,用波长
的单色光垂直入射,从上向下观察,看到中心是一个暗斑,此时凸透镜顶点距平板玻璃的距离最少是( )。

已知系统从状态A经某一过程到达状态B,过程吸热10J,系统内能增量为5J。现系统沿原过程从状态B返回状态A,则系统对外做功是( )。
一定容积的密闭容器内有一定量某种理想气体,若气体的热力学温度变为原来的4倍,则此时分子平均自由程和平均碰撞频率的变化情况是( )。
一宇宙飞船相对地球以0.8c的速度飞行,一光脉冲从船尾传到船头。飞船上的观察者测得飞船长为90m,地球上的观察者测得光脉冲从船尾发出和到达船头两个事件的空间间隔为( )。
关于熵,有下列说法:
(1)熵是状态函数,只有对平衡态才有意义
(2)对任何循环过程,熵变必为零
(3)孤立系统的任何自发过程只能向熵增加的方向进行
(4)若系统在变化过程中从外界吸热,则熵增加
(5)孤立系统的可逆的绝热过程是等熵过程
(6)气体向真空自由膨胀,因为与外界没有热交换,
,但熵增加
这些说法中正确的是( )。
根据高斯定理的数学表达式
可知,下列说法中正确的是( )。
一段路面水平的公路,转弯处轨道半径为R,汽车轮胎与路面间的摩擦因数为
,要使汽车不至于发生侧向打滑,汽车在该处的行驶速率( )。



一定质量的理想气体的内能E随体积V的变化关系为一条过原点的直线,则此直线表示的过程为( )。
一条长为L米的均质细链条,如图所示,一半平直放在光滑的桌面上,另一半沿桌边自由下垂,开始时是静止的,当此链条末端滑到桌边时(桌高大于链条的长度),其速率应为( )。





一单色平行光垂直入射单缝,其第二级衍射明纹的角位置恰好与波长为500m的单色光垂直入射该缝时的同侧第三级衍射暗纹的角位置重合,则该单色光波长为( )。
关于可逆过程和不可逆过程的判断,有下列说法:
(1)可逆热力学过程定是准静态过程
(2)准静态过程一定是可逆过程
(3)不可逆过程就是不能向相反方向进行的过程
(4)凡是有摩擦的过程定是不可逆的
这些说法中正确的是( )。
光滑的水平桌面上有长为
、质量为
的匀质细杆,可绕通过其中点O且垂直于桌面的竖直固定轴自由转动,起初杆静止。有一质量为
的小球在桌面上正对着杆的一端, 在垂直于杆长的方向上,以速率
运动,如图所示。当小球与杆端发生碰撞后,就与杆粘在一起随杆转动。则这一系统碰撞后的转动角速度是( )。





设物体沿固定圆弧形光滑轨道由静止下滑,在下滑过程中( )。

质量为20g的子弹以500m/s的速度射入一静止木块后,随木块一起以50m/s的速度直线运动,则在此过程中子弹受到的冲量为(以子弹运动方向为正)( )。




在惯性系K中某地点先后发生A和B两个事件,其中事件A超前于事件B,在另一惯性系
中观察 ( )。
